搜索
全国
全国
注册
登录
简体中文
English
首页
商城
生活常识
数码科技
美食推荐
装修
旅游攻略
汽车百科
SEO优化
维修大全
价格大全
5千公里更换一次机油,被坑了多少钱?如何更换机油才不会伤车?
维修大全
2025-10-11
178
壹点帮办|每隔30秒就发警报,LG冰箱反复故障咋修不好
维修大全
2025-10-11
74
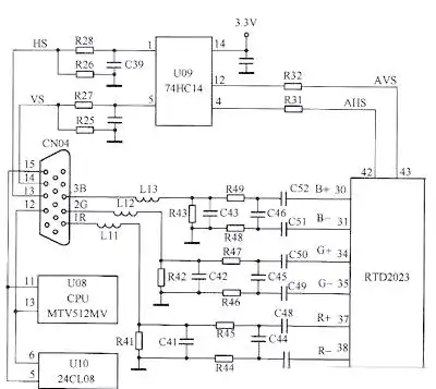
HMI人机界面维修LG工业显示屏(维修)故障案例
维修大全
2025-10-11
84
多品牌液晶显示器故障典型案例解析与解决方案
维修大全
2025-10-11
74
LG微波炉维修一例(附图解)
维修大全
2025-10-11
103
一次超出预期的移动宽带安装体验
维修大全
2025-10-11
190
选错电脑后悔四年!各专业电脑选购攻略:附血泪教训+闭眼入清单
维修大全
2025-10-11
94
装宽带要安装费吗?
维修大全
2025-10-11
115
买电脑的二三事(surface pro 4官翻)
维修大全
2025-10-11
96
普通用户装光纤宽带,能不折腾就别折腾,尤其是“老破小”
维修大全
2025-10-11
183
首页
上一页
84
85
86
87
88
下一页
末页
热门标签
HOT
厦门烟台
打印机维修
墨盒
状态监视器
生产工艺规程
热工仪
热工仪表
安全生产条例
设备操作规程
旧貌换新颜
初始化设置
多个驱动器
镜像文件
新全顺
奔驰V260
瑞风
大通G10
奔驰威霆
旧区排水工程
工程难题克服
杨浦区水患改善
热门推荐
空调维修准确加氟法
枣庄空调维修爆炸原因查明,爆炸与空调本身没有半毛钱关系!
会痛的十七岁阿梦结局 会痛的十七岁阿梦最后回学校了吗
江安美的空调售后电话,通常是这些原因
猜你喜欢
南枯月漓献身是哪一集 海上牧云记南枯月漓献身牧云德怎么回事
窗帘怎么安装
服务器保修服务时间查询地址
成人影视表演培训哪家好?
公司主营的产品有:七氟丙烷检测年检,七氟丙烷检测检修,七氟丙烷检测维修
华盖山栈道、北江大堤……贾玲电影《热辣滚烫》在这些地方取景!你认出来了吗→
岳阳万家乐燃气灶维修热线_芜湖家电维修、安装-家电售后联保服务中心
广播电视编导专业大学排名? 影视后期制作专业大学排名
《神偷奶爸4》情节不重要,看小黄人解压才是正经
二次元年底渡劫,正版厂商制造盗版周边?影响到全国动漫周边市场
本站访客:69930
1097476955
服务热线
服务热线
18951535724
18951535724
返回顶部