2836万!浙江嘉兴获浙江省2025年中央燃料电池汽车补助
2025-09-23 本站作者 【 字体:大 中 小 】
北极星氢能网获悉,5月8日,浙江省财政厅发布了《关于下达2025年中央节能减排补助资金(新能源汽车领域)预算的通知》(以下简称《通知》)。

根据《通知》,浙江财政厅下达的2025年中央节能减排补助资金(新能源汽车领域)共计33864万元,其中:新能源汽车推广应用补助资金31028万元,燃料电池汽车示范应用第三年度奖励资金2836万元,由嘉兴市全部获得。
如下表:

《通知》要求,燃料电池汽车示范应用第三年度奖励资金不得用于支持燃料电池汽车整车生产投资项目和加氢基础设施建设。有关市财政局要按照《关于开展燃料电池汽车示范应用的通知》(财建〔2020〕394号)等规定分配使用资金,加强预算绩效管理,切实提高资金使用效益。
原文如下:
浙江省财政厅关于下达2025年中央节能减排补助资金(新能源汽车领域)预算的通知
浙财建〔2025〕46号
各有关市、县(市)财政局:
根据《财政部关于下达2025年节能减排补助资金预算(第一批)的通知》(财建〔2025〕77号)要求,现下达你市、县(市)2025年中央节能减排补助资金(新能源汽车领域)预算,并就有关事项通知如下:
一、此次下达资金共计33864万元,其中:新能源汽车推广应用补助资金31028万元,燃料电池汽车示范应用第三年度奖励资金2836万元。上述资金作一般性转移支付,纳入2025年度省与市县财政年终结算,各市、县(市)收入列“1100250节能环保共同财政事权转移支付收入”科目,支出时列报“211节能环保支出”类级科目下相应项级支出预算科目,项目名称为“节能减排补助资金”,项目代码为“10000015Z155110010003”。
二、此次新能源汽车推广应用补助资金用于2022年及以前年度新能源汽车推广应用中央财政补助资金清算和2022年度新能源汽车推广应用中央财政补助资金预拨。有关市、县(市、区)财政局和同级主管部门要根据财政部等四部委《关于2016—2020年新能源汽车推广应用财政支持政策的通知》(财建〔2015〕134号)、《关于“十三五”新能源汽车充电基础设施奖励政策及加强新能源汽车推广应用的通知》(财建〔2016〕7号)、《关于调整新能源汽车推广应用财政补贴政策的通知》(财建〔2016〕958号)、《关于调整完善新能源汽车推广应用财政补贴政策的通知》(财建〔2018〕18号)、《关于进一步完善新能源汽车推广应用财政补贴政策的通知》(财建〔2019〕138号)、《关于完善新能源汽车推广应用财政补贴政策的通知》(财建〔2020〕86号)、《关于进一步完善新能源汽车推广应用财政补贴政策的通知》(财建〔2020〕593号)、《关于2022年新能源汽车推广应用财政补贴政策的通知》(财建〔2021〕466号)等文件有关规定,加强资金管理,严格把关,确保资金及时到位和安全有效。
三、燃料电池汽车示范应用第三年度奖励资金不得用于支持燃料电池汽车整车生产投资项目和加氢基础设施建设。有关市财政局要按照《关于开展燃料电池汽车示范应用的通知》(财建〔2020〕394号)等规定分配使用资金,加强预算绩效管理,切实提高资金使用效益。
四、节能减排补助资金列入转移支付预算执行常态化监督范围,有关市、县(市)财政局要在预算管理一体化系统及时接收登录预算指标,并保持“追踪”标识不变,依托预算管理一体化系统转移支付监控模块,会同相关部门按照职责分工加强日常监管,进一步落实预算绩效管理要求,严格对照绩效目标,做好绩效管理工作,提高资金使用效益。
附件:1.2025年中央节能减排补助资金(新能源汽车领域)分配明细表
2.2022年及以前年度新能源汽车推广应用中央财政补助资金清算表
3.2022年度新能源汽车推广应用中央财政补助资金预拨表
4.2025年度中央节能减排补助资金绩效目标表(新能源汽车推广应用)
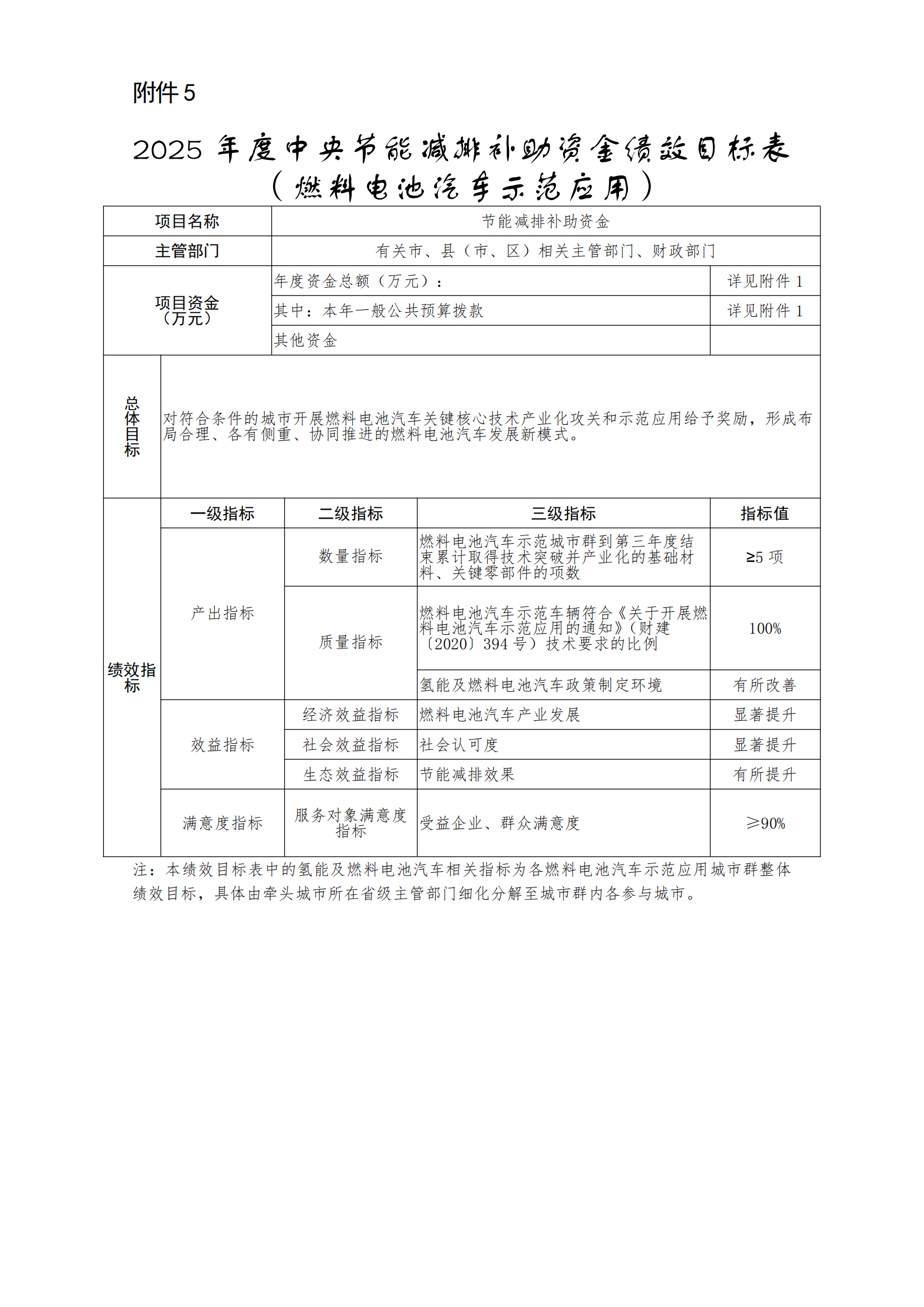
5.2025年度中央节能减排补助资金绩效目标表(燃料电池汽车示范应用)
浙江省财政厅
2025年4月30日





猜你喜欢
车保罗三天收入十万,没有退烧药的网友,还会继续同情心泛滥吗?
125
中国十大汽车公司中英文名称
129
教您学会车上的这些配置怎么使用!
234
国内外汽车变速器知名供应商汇总 有你不知道的吗?
198
百公里吸油500L 油老虎霸气占3车道上路
132
轱辘试驾|通勤代步之余,开着比亚迪e2去劈山路,结果
198
“觅渡”常州不寻常
185
沿江高铁宜昌至涪陵段新设恩施火车南站选址综合性研究服务项目竞争性磋商公告
165
【衢商好故事】 李和林:打通汽车产业链,始终如一创未来
213
发电机皮带吱吱响
150
敦化市交通运输局疫情期间保路网畅通
绵阳限行规定(时间+车辆+区域)
欧洲卡车模拟2怎么休息-欧洲卡车模拟2中如何休息
你的车机为什么比千元安卓机还难用?
国务院印发《2024-2025年节能降碳行动方案》 逐步取消各地新能源汽车限购
易查车 安卓版v3.2.20
国产“卡车界劳斯莱斯”来了
“十五五”,中国汽车迎核心窗口期!——记第二十届中国经济论坛平行论坛
跨国车企出口力度拉满
山海“骑”遇大湾区



